Model #2. 16T Freewheel and 12T drive for 5/8" Drive Shaft Harbor Freight 79cc Predator & 100cc Generic engines.
Expect new inventory to arrive late Oct.
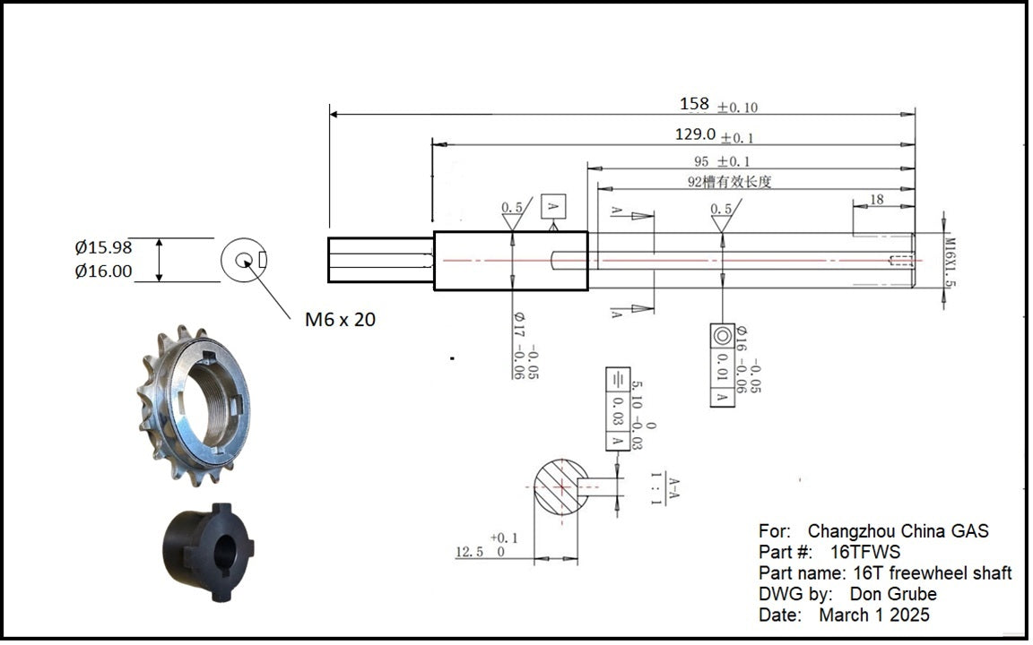
Model #2 CVT transmission with a 16T Freewheel and also includes a 12T solid chain drive sprocket for Harbor Freight 4 Stroke 79cc PREDATOR Engines!
Model #2 a 16T Freewheel drive sprocket option that lets you to go faster and more easily pedal your bike with engine off.
The standard 12T solid drive does not give highest speed but delivers higher torque for hill climbing.
ENGINE NOT INCLUDED.
Should also fit the generic Non-EPA approved 100cc engines sold by Woodpecker in China available on eBay & Amazon.
With the advent of the CVT single speed motorized bicycles are now obsolete!
Get "Harley" 4 stroke sound without the 2 stroke "WingDing" smoke or sound.
No need to pedal with available torque off the line!
NOTE: See list below of additional parts needed to install the engine and transmission.
We have specially modified a standard CVT transmission to fit Harbor Freight's 79cc 4 cycle engines with 5/8" diameter PTO shaft so that it can fit on a 26" Cruiser Bicycle enabling Drive Chain line up with the rear wheel sprocket. This is called a Zipper fit in Oklahoma!
The CVT Transmission centrifugal clutch Latch speed is 2000 to 2200 engine RPM.
Advantage of a CVT Tranny over direct T-Belt solid drive transmissions is Constant Variable Torque based on engine RPM.
Low engine rpm allows high torque pulley ratio, as engine speed increases the engine shaft drive CC pulley diameter gets bigger and the driven pulley gets smaller, thus the final drive ratio allows faster bike speeds based on engine rpm yet gives low speed torque for better hill climbing at low engine rpm. Yep! The best of both worlds!
NOTE: We do not advocate high speed motorized bikes so don't ask how fast a bike will go with our CVT transmission.
The fastest bike speed will be determined by variables like; 12T, 12T FW or 16T FW drive sprockets, the wt. of rider, wheel size, road terrain, wheel sprocket Teeth count, and if the engine is modified to remove 3600 rpm governor = a lot of different variables that enable the experience builder to have the advantage.
NOTE: 3/4" shaft PTO CVT's will not fit 5/8" shaft engines. Plus, they don't allow a drive sprocket to line up with the bike's rear wheel sprocket when the engine is mounted center of frame where it belongs. OOHRAH! Now those 2 push backs have been overcome!
INCLUDES Black Plastic belt guard held on by 4 screws.
Heads up! Does require the additional installation considerations 1 thru 6 denoted below.
1. A wide pedal shaft kit to allow pedaling. -- Not Included, buy separately if you want to pedal. 2.
2. Slide mount engine mounting bracket. ---- Not Included, buy separately here-in.
3. Gas tank, shut off and fuel line. ------ Not included, buy separately here-in.
4. Handlebar twist throttle. --------------- Not Included, buy separately here-in.
5. Muffler and header pipe --------------Not included, buy separately here-in.
6. Bike rear wheel drive sprocket and attach parts -------------- Not included buy separately here-in, or consider the pro-shop HD AXLE WHEEL, buy separately here-in.
8. CVT Service Repair Parts are available for after sale customer support.
9. 79cc Predator Engine is Not included; Buy it at your local Harbor Freight Store. It's a great little engine made by a famous engine factory with exquisite Quality Control. She's a "one pull start" engine and with our CVT it can take a bicycle with adult uphill like going downhill.